|首页|

 |公司简介|

|产品介绍|

|技术支持|

|方案推介|

|资料下载|

|客户留言|

|客户服务|

 

单片机MCU FPGA/ASIC ARM DSP 编程器/烧录 仿真器 实验开发板 适配器/插座
无线收发 语音音乐 温湿度计 计时定时 计算器 万年历 计步器 计数器
健康运动表 调光控光 遥控 编解码 闪灯彩灯 电波钟 电子秤 胎压监测
仪器仪表 医疗保健 玩具游戏 防盗报警 电器控制 电子指南针 LCD/LCM VFD/TFT/EL
风扇/密码 GPS 通信模块 电子礼品 数据采集 接口转换 新奇特IC 传感器
LED照明 汽车电子 红外测温 环保电子 数码电子 手机 电源管理 多媒体
     
 
无线数字收发电路
数字编码遥控组件
数字收发模块
继电器板
无线控制电路
红外线遥控电路
传感电路
振动传感电路
红外线传感电路
单束激光组件
微波感应控制电路
超声波检测开关
三位计数电路
计时计数电路
高响度报警喇叭
DC/DC电源变换电路
降压型稳压电路
升压型稳压电路
反压型稳压电路
超低压升压电路
稳压电路
无线语音收发电路
调频发射模块
调频接收电路
立体声收发电路
晶振式收发电路
 
     
 
专用集成电路IC介绍

电子指南针IC/传感器方案

LCD/LCM/TFT/EL显示驱动

风扇控制IC

其它IC

各种功能模块、COB板

无线收发模块、数传模块

无线收发模组选型与报价

微型无线收发模块报价

遥控器/遥控开关/遥控模块

编解码开关/智能开关

常用传感器/开关/自控产品

RS232/485/USB/CAN/光纤/转换器、隔离器、驱动器、联网模块、多用户卡

EDA工业数据采集模块、USB采集模块、智能传感器、电量变送器

电子表/多功能表机芯总汇

GSM/CDMA/GPRS通信模块

扩频模块/MODEM模块

GPS模块/天线/应用方案

语音/变音/音效COB、模块

计时/定时/计步/计数

温度/湿度/时间显示控制

数字温湿度计/电子表

数传IC/数传模块

智能控制模块

LCD/LCM/TFT显示屏/模块

小家电/家电控制模块

消费类、控制类成品

 专用电路成品

温度/湿度/时间类

温度计/温湿度计/耳温枪

计步/计数/定时类

玩具/礼品类

报警类

医疗保健类

单片机/嵌入式控制

单片机/MPU/RISC芯片

仿真器/开发板/编程器

MCU/DSP/ARM/开发工具

PLD/CPLD/FPGA/ASIC

 

浏览公司其它部门产品

电子元器件集成电路部

电子元器件产品介绍

电子元器件目录
日本冲电子OKI资料
日本精工SEIKO资料
MODEM数据通信芯片
军工产品事业部
军工产品详细介绍
军工产品选型目录

高频微波光纤光电部

射频微波光电产品网
高频微波光电产品目录
无线收发芯片和模组

传感与控制事业部

自动控制产品介绍
传感器世界仪器仪表专家网
传感器自控产品目录
传感器变送器详细资料

工控事业部

中国工控安防科技网
工控安防产品介绍
电脑网络与系统集成部
仪器仪表与电源部
被动元件/无源元件部
安防产品部
国际贸易部
汽车电子汽车用品
玩具礼品部

开发与生产部

温湿度计模块、成品
无线收发模块
 
     
   
   
 
   
   
 
   
 

TX06A单束激光控制组件

    本产品利用激光束能量集中,空气媒介中衰减小,传输距离远,装调容易等特点,再加上特有的技术处理,达到很高的性能指标,可以试用于以下场合:1.同步计数器 2.入侵监测系统 3.激光制导装置 4.水平测量仪器 5.远距离遥控装置 6.战争游戏机 7.铁道路口预警系统等等。
      TX06A内部结构复杂,发射出的单束激光并非简单的激光束,而是被内部电路驱动的连续点段,见图1.其光束内含有复杂的密码程序,只是传递过程相当快,凭直观无法觉察,同样,接收电路内具有解码器,只有它才能破解出光束内的密码。采用其它外部手段是无能为力的,这就保证了TX06A的高度可靠性和很强的防外部非法干涉能力,而每一套TX06A内含密码均不同,这样在同一场合中,允许多套TX06A同时工作,而不出现干扰现象。
     TX06A由两部分组成:TX06A-T发射电路,TX06A-R接收电路外形见图2。

    图3给出TX06A内部方框图供参考,有关性能指标见表1。 TX06A-T接线方式:铜网接地(负极),白,红线并联电源正极。TX06A-R接线方式:铜网接地(负极),红线接电源正极(6-12V),白线接输出。
    注:输出方式为三极管集电极开路输出(见图3),允许无数TX06A-R并联使用,虽然电路内有保护措施,但应避免输出(白线)与电源(红线)直接短路,否则会使TX06A-R永久性损坏。

    安装调试时,只需将TX06A-T发射的激光点对准TX06A-R上的接收管即可。
    TX06A-R上设有状态指示灯,当未收到特定激光束时为红色,输出三极管导通。接收到激光束时转为浅绿色,表示发送正常,输出三极管截止,有人或物体挡住激光束时转为红色,内部三极管导通,控制后级工作.TX06A-T,R均带有2米长的双芯电缆线,连接电源和后级负载。

工作电压

TX06A-T:6-12V

TX06A-R:6-12V

静态电流

TX06A-T:25mA

TX06A-R:3mA

光束性质

连续点状光束

物理性质

半导体激光器

波长

650nm

功率

1mW

工作温度

-20℃to85℃

外形尺寸

67×32×17mm

     1,同步计数器
    在记录人数,产品数量,机械转速等计数系统中,TX06A可成为高精度的光电传感器,直接驱动计数电路工作,见图4。当有人或工件挡住激光束时,TX06A-R输出一个低脉冲,由计数显示电路统计和显示结果。

     2,入侵监测系统 

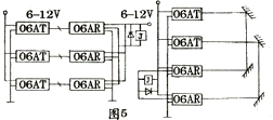
    由TX06A可组成单组对射或单组反射,也可组成多组对射或多次反射,以组成监测网,做反射使用时应使用我厂配套销售的专用铝镆高效率反射镜,其特点:反射效率高(90%)易于调整等,当有人非法闯进由单或多组激光束组成的无形网线时,TX06A-R将输出控制信号,驱动外接继电器吸合,进而带动报警系统,无线发射机,电铃等执行机构,见图5,当用在政府机关,监狱,银行,车库,博物馆,商场时,此系统能发挥优异的特性。继电器可选4123型或其它型号的直流低耗均可。如需输出锁定,即触发一次就连续不断输出,只有手动才可复位。可选用双触点的继电器,用其中的一组常开触点做吸合保持,见图6

    3,激光制导装置    

    用TX06A产生定位光束,当运行物产生偏离时,会自动开启校准系统工作,在某些场合中可起到关键作用,见图7。TX06A-T产生基准光束,TX06A-R1,R2,R3安装在运行的物体上,当运行轨迹正常时LED亮,表示正常,如偏移轨迹,J1或J2吸合,进而驱动转向电机或液压机构完成轨迹自动校正,从而保证运行物体的正确方向。
    4,水平测量仪器
    将TX06A-T安装在水平测量仪器上,在特定的距离L1,根据激光束显示的尺度L2,即可换算出各种水平参数,在建筑,施工,工程设计及其它诸多方面可提高工作效率和测量精度,见图8。

    5,远距离遥控装置
    利用TX06系列激光新产品,单向性能好能量集中,抗干扰能力强的特点,在定位控制场合可做遥控器使用,尤其是用在人员需要远离的化学工业,核工业,爆破,机床精密控制。由于TX06产品不产生杂散的辐射性电磁波,故不会造成电磁污染,不会对其它电了产品形成干扰,这在某些场合是至关重要的。
    6,战争游戏机
    将TX06A-T装在玩具枪上,并装有单发或连发控制电路,将TX06A-R佩带在人体关键部位,如头,胸等。在游戏中敌方被激光束“击中”,在其身上会发出报警鸣响或其它提示和控制。如加入计数电路,就可记录被击中的次数,这是一组趣味性强且接近实际的演习式游戏,非常容易被人们接受,(在加以改进和完善后,可以做的更加逼真)。
注:做此用途时需对眼部做以保护性处理,以免受激光束损伤。

    7,铁道路口预警系统
      如用TX06系列产品组成路口预警系统是很完善和可靠的,可靠在于当TX06因外界破坏或自身故障无法正常工作时,会在路口端报警指示,而不会像其它系统不被人查觉而造成隐患,完善性在于系统构成简单,且不带有无线传输等方式的复杂性,见图9。
      原理:当由TX06-T,TX06-R和三只反射镜组成的激光回路正常时,TX06-R无输出,当出现机车时光路被阻挡TX06-R有输出,并驱动有关机构报警,及时告知路口值班人员采取措施,完成预警工作,如将本系统升级,可以做到记录机车通过时间及车节数量等各种参数。
      TX06A具有很强的适配性,它可以与高频无线发射机,数字编码遥控器,摄像机,报警器,电动机构,单片机等配合使用, 以达到各种更加完善的功能。
      TX06A的缺点:当使用环境出现大雾,暴雨,沙尘暴时会阻挡激光束,造成系统动作,届时应采取必要的补救措施。

   

    关于其它有关事项:
    1,TX06A作用距离200米,更远距离的激光新产品或其它新产品请致电本厂技术部。
    2,TX06A组件内部含有精密的电子线路和光学结构,应避免强光曝晒或强烈振动。
    3,TX06A为通电即工作,如需增加遥控功能,可使用TX315系列数字编码遥控组件。
    4,TX06A在应用中的外围部件可由本厂配套提供(如铝膜高效反射镜,报警喇叭等)。

    5,本产品自售出起保修三个月,但故意损坏或擅自拆动者不在保修之列。

   

    本厂特别警告:
      由于激光产品能量集中,故在安装,调试和使用过程中应避免直射眼睛,否则易损伤视网膜,造成视力下降。

 
 

欢迎来电洽购我司产品或索取免费详细资料、设计指南和光盘

传感器世界仪器仪表专家网:HTTP//WWW.SENSOR-IC.COM/

智能工控安防消防网:HTTP//WWW.PC-PS.NET/

消费电子专用电路网:HTTP://WWW.SUNSTARE.COM/

地址: 深圳市福田区福华路福庆街鸿图大厦1602    E-MAILszss20@163.com

电话:0755-83387030  83387016

传真:0755-83376182  83338339   邮编:518033  手机:(0)13902971329

E-MAIL:xjr5@163.com    MSN: SUNS8888@hotmail.com    QQ: 195847376
    技术支持: 0755-83394033 13501568376

深圳展销部:深圳华强北路赛格电子市场2583  TEL/FAX0755-83665529  13823648918

北京分公司:北京海淀区知春路132号中发电子大厦3097

TEL4006579498  18927445855  13823791822  FAX010-62543996 

上海分公司:上海市北京东路668号上海賽格电子市场地下一层D25

TEL4006571586  56703037  13823676822  FAX021-56703037

西安分公司:西安高新开发区20(中国电子科技集团导航技术研究所

           西安劳动南路88号电子商城二楼D23 

TEL4006572198  13072977981  FAX:029-77678271