|首页|

 |公司简介|

|产品介绍|

|技术支持|

|方案推介|

|资料下载|

|客户留言|

|客户服务|

 

单片机MCU FPGA/ASIC ARM DSP 编程器/烧录 仿真器 实验开发板 适配器/插座
无线收发 语音音乐 温湿度计 计时定时 计算器 万年历 计步器 计数器
健康运动表 调光控光 遥控 编解码 闪灯彩灯 电波钟 电子秤 胎压监测
仪器仪表 医疗保健 玩具游戏 防盗报警 电器控制 电子指南针 LCD/LCM VFD/TFT/EL
风扇/密码 GPS 通信模块 电子礼品 数据采集 接口转换 新奇特IC 传感器
LED照明 汽车电子 红外测温 环保电子 数码电子 手机 电源管理 多媒体
     
 
无线数字收发电路
数字编码遥控组件
数字收发模块
继电器板
无线控制电路
红外线遥控电路
传感电路
振动传感电路
红外线传感电路
单束激光组件
微波感应控制电路
超声波检测开关
三位计数电路
计时计数电路
高响度报警喇叭
DC/DC电源变换电路
降压型稳压电路
升压型稳压电路
反压型稳压电路
超低压升压电路
稳压电路
无线语音收发电路
调频发射模块
调频接收电路
立体声收发电路
晶振式收发电路
 
     
 
专用集成电路IC介绍

电子指南针IC/传感器方案

LCD/LCM/TFT/EL显示驱动

风扇控制IC

其它IC

各种功能模块、COB板

无线收发模块、数传模块

无线收发模组选型与报价

微型无线收发模块报价

遥控器/遥控开关/遥控模块

编解码开关/智能开关

常用传感器/开关/自控产品

RS232/485/USB/CAN/光纤/转换器、隔离器、驱动器、联网模块、多用户卡

EDA工业数据采集模块、USB采集模块、智能传感器、电量变送器

电子表/多功能表机芯总汇

GSM/CDMA/GPRS通信模块

扩频模块/MODEM模块

GPS模块/天线/应用方案

语音/变音/音效COB、模块

计时/定时/计步/计数

温度/湿度/时间显示控制

数字温湿度计/电子表

数传IC/数传模块

智能控制模块

LCD/LCM/TFT显示屏/模块

小家电/家电控制模块

消费类、控制类成品

 专用电路成品

温度/湿度/时间类

温度计/温湿度计/耳温枪

计步/计数/定时类

玩具/礼品类

报警类

医疗保健类

单片机/嵌入式控制

单片机/MPU/RISC芯片

仿真器/开发板/编程器

MCU/DSP/ARM/开发工具

PLD/CPLD/FPGA/ASIC

 

浏览公司其它部门产品

电子元器件集成电路部

电子元器件产品介绍

电子元器件目录
日本冲电子OKI资料
日本精工SEIKO资料
MODEM数据通信芯片
军工产品事业部
军工产品详细介绍
军工产品选型目录

高频微波光纤光电部

射频微波光电产品网
高频微波光电产品目录
无线收发芯片和模组

传感与控制事业部

自动控制产品介绍
传感器世界仪器仪表专家网
传感器自控产品目录
传感器变送器详细资料

工控事业部

中国工控安防科技网
工控安防产品介绍
电脑网络与系统集成部
仪器仪表与电源部
被动元件/无源元件部
安防产品部
国际贸易部
汽车电子汽车用品
玩具礼品部

开发与生产部

温湿度计模块、成品
无线收发模块
 
     
   
   
 
   
   
 
   
 
  txc50.jpg (326933 字节)

   TXC50  39元/套  

   距离大于50米,含编解码芯片,有四路互锁输出,一路解码有效输出,可用于各种报警器,控制器功能的远程设定.接收耗电1mA.  

详细资料

  txc100.jpg (367493 字节)

    TXC100  50元/套  

    接收机带软天线,距离90-120米,接收耗电3.5mA,其它同TXC50.  

详细资料

  txc300.jpg (481786 字节)

    TXC300  80元/套  

    发射带拉杆天线,接收带软天线,距离250-350米,窄带晶振发射电路。

详细资料

  TX315B1.jpg (184134 字节)

    TX315B1  130元/套  

    全晶振线路,编译码芯片,高可靠,耐低温,可组网,发射机外壳为桃木色。使用说明请参考TX315B2,距离60-150米。

详细资料

  315b2.jpg (459775 字节)

    TX315B2  130元/套  

    同315B1,带编译码器,距离远于315B1.报警设定,工业遥控最佳.250米。

详细资料

  315b2.jpg (459775 字节)

    TX315B3  160元/套  

 

详细资料

TXC50,TXC100,TXC300数字编码无线遥控收发电路

    本产品由微型发射器和接收电路两部分组成,内设有密码组合大于100万的编解码芯片和进口贴片器件(关键部件),具有很强的抗干扰性能,无误动作,可广泛应用于需高可靠遥控的装置中,如机动车报警器,监听,监视装置,航模等的控制,及各类不宜接触,接近或隐含危险性的电器设备和开关装置中。

    发射机体积:72x36x13.5(mm)。在面板上设有ABCD四位按键和一个发光管指示口,机内装有12V AG23高能电池。当按动键时,发光管点亮,数字编码IC开始工作并驱动频率为265MHz的超高频发射电路,将载有数字信号的高频电磁波通过机内印制天线或微型拉杆天线发射出去,发射时工作电流5-10mA左右,不发射时不耗电。

    接收电路体积:46x32x17(mm),内有高频接收电路,信号检出处理电路和译码电路,可直接输出互锁的1-4位电平信号,接收电路的工作电压为6V,静态耗电1.35mA,输出电压5V最大输出电流3mA,接收电路共有7条引脚,脚距4mm,其中IO端是译码有效输出端,其状态与按键时间同步,ABCD是与发射机按键相对应的四为数据输出端,通过不同的接口电路可得到各种输出形式.

    检测方式:在接收电路的ABCD及IO端分别接入五只发光二极管(LED),见图1,接通6V直流电源,LED均不亮,按动发射机A键,LEDA 和LED0点亮,松开键后LED0熄灭,LEDA将保持点亮(被锁定)。按B键时LEDB和LED0点亮,松开键后LED0熄灭LEDB将保持点亮,其它两路的操作和检测方式相同。

      应用实例:(一)四路互锁继电器,见图2。初次接通电源,四只继电器均不吸合,当按动发射机按键时,对应的继电器吸合,且只有一组吸合 。实际上本电路就是图1的带载应用,图中的继电器可

    以是高响度报警器或其它负载。

    (二)四路非锁继电器,见图3

    按A键时,JA吸合,松开键时JA断开,其它路均相同,此时各路均处于非锁状态。如将继电器换成10K电阻并在其下端取出脉冲信号,送至CD4013(四D触发器)处理,就可达到以下效果:按A键一次,继电器吸合。再按一次继电器断开,再按则在吸合,如此往复。其它三路均可独立运行,互不影响。                                                             

    其它说明:

    1).使用过程中,如发现遥控距离变近或发射指示灯变暗,应及时更换发射机的12V AG23电池。

    2).接收电路的工作电压不得超过6V,如输入电压大于6V,应在电源电路中加入一只MC78L06三端稳压器。

    3).TXC100的接收有天线,TXC300型发射机比图1稍大并带有可缩入壳内的微型拉杆天线,接收电路有软天线。

    4).用户可定制多只发射机或多只接收电路,可指定密码是否相同。

    5).发射机和接收电路应尽量远离金属体,以免高频信号被削弱或屏蔽。

    6).产品的距离(L)说明:1,TXC50(50米)L=40-70米  2,TXC100(100米) L=90-120米  3,TXC300(300米)  L=250-350米    (均在开阔场地实测)

    7).我厂提供与TXC系列配套的继电器板,一位板15元,四位板25元,用户可选择控制方式和电源电压。

    如用户需要工业级高指标的遥控电路请使用:

   1.TX315B2全晶振工业级数字遥控器      2.KONG1工业遥控器     3.KONG2工业遥控器

TXC50,TXC100,TXC300数字编码无线遥控收发电路

    本产品由微型发射器和接收电路两部分组成,内设有密码组合大于100万的编解码芯片和进口贴片器件(关键部件),具有很强的抗干扰性能,无误动作,可广泛应用于需高可靠遥控的装置中,如机动车报警器,监听,监视装置,航模等的控制,及各类不宜接触,接近或隐含危险性的电器设备和开关装置中。

    发射机体积:72x36x13.5(mm)。在面板上设有ABCD四位按键和一个发光管指示口,机内装有12V AG23高能电池。当按动键时,发光管点亮,数字编码IC开始工作并驱动频率为265MHz的超高频发射电路,将载有数字信号的高频电磁波通过机内印制天线或微型拉杆天线发射出去,发射时工作电流5-10mA左右,不发射时不耗电。

    接收电路体积:46x32x17(mm),内有高频接收电路,信号检出处理电路和译码电路,可直接输出互锁的1-4位电平信号,接收电路的工作电压为6V,静态耗电1.35mA,输出电压5V最大输出电流3mA,接收电路共有7条引脚,脚距4mm,其中IO端是译码有效输出端,其状态与按键时间同步,ABCD是与发射机按键相对应的四为数据输出端,通过不同的接口电路可得到各种输出形式.

    检测方式:在接收电路的ABCD及IO端分别接入五只发光二极管(LED),见图1,接通6V直流电源,LED均不亮,按动发射机A键,LEDA 和LED0点亮,松开键后LED0熄灭,LEDA将保持点亮(被锁定)。按B键时LEDB和LED0点亮,松开键后LED0熄灭LEDB将保持点亮,其它两路的操作和检测方式相同。

      应用实例:(一)四路互锁继电器,见图2。初次接通电源,四只继电器均不吸合,当按动发射机按键时,对应的继电器吸合,且只有一组吸合 。实际上本电路就是图1的带载应用,图中的继电器可

    以是高响度报警器或其它负载。

    (二)四路非锁继电器,见图3

    按A键时,JA吸合,松开键时JA断开,其它路均相同,此时各路均处于非锁状态。如将继电器换成10K电阻并在其下端取出脉冲信号,送至CD4013(四D触发器)处理,就可达到以下效果:按A键一次,继电器吸合。再按一次继电器断开,再按则在吸合,如此往复。其它三路均可独立运行,互不影响。                                                             

    其它说明:

    1).使用过程中,如发现遥控距离变近或发射指示灯变暗,应及时更换发射机的12V AG23电池。

    2).接收电路的工作电压不得超过6V,如输入电压大于6V,应在电源电路中加入一只MC78L06三端稳压器。

    3).TXC100的接收有天线,TXC300型发射机比图1稍大并带有可缩入壳内的微型拉杆天线,接收电路有软天线。

    4).用户可定制多只发射机或多只接收电路,可指定密码是否相同。

    5).发射机和接收电路应尽量远离金属体,以免高频信号被削弱或屏蔽。

    6).产品的距离(L)说明:1,TXC50(50米)L=40-70米  2,TXC100(100米) L=90-120米  3,TXC300(300米)  L=250-350米    (均在开阔场地实测)

    7).我厂提供与TXC系列配套的继电器板,一位板15元,四位板25元,用户可选择控制方式和电源电压。

    如用户需要工业级高指标的遥控电路请使用:

   1.TX315B2全晶振工业级数字遥控器      2.KONG1工业遥控器     3.KONG2工业遥控器

TXC50,TXC100,TXC300数字编码无线遥控收发电路

    本产品由微型发射器和接收电路两部分组成,内设有密码组合大于100万的编解码芯片和进口贴片器件(关键部件),具有很强的抗干扰性能,无误动作,可广泛应用于需高可靠遥控的装置中,如机动车报警器,监听,监视装置,航模等的控制,及各类不宜接触,接近或隐含危险性的电器设备和开关装置中。

    发射机体积:72x36x13.5(mm)。在面板上设有ABCD四位按键和一个发光管指示口,机内装有12V AG23高能电池。当按动键时,发光管点亮,数字编码IC开始工作并驱动频率为265MHz的超高频发射电路,将载有数字信号的高频电磁波通过机内印制天线或微型拉杆天线发射出去,发射时工作电流5-10mA左右,不发射时不耗电。

    接收电路体积:46x32x17(mm),内有高频接收电路,信号检出处理电路和译码电路,可直接输出互锁的1-4位电平信号,接收电路的工作电压为6V,静态耗电1.35mA,输出电压5V最大输出电流3mA,接收电路共有7条引脚,脚距4mm,其中IO端是译码有效输出端,其状态与按键时间同步,ABCD是与发射机按键相对应的四为数据输出端,通过不同的接口电路可得到各种输出形式.

    检测方式:在接收电路的ABCD及IO端分别接入五只发光二极管(LED),见图1,接通6V直流电源,LED均不亮,按动发射机A键,LEDA 和LED0点亮,松开键后LED0熄灭,LEDA将保持点亮(被锁定)。按B键时LEDB和LED0点亮,松开键后LED0熄灭LEDB将保持点亮,其它两路的操作和检测方式相同。

      应用实例:(一)四路互锁继电器,见图2。初次接通电源,四只继电器均不吸合,当按动发射机按键时,对应的继电器吸合,且只有一组吸合 。实际上本电路就是图1的带载应用,图中的继电器可

    以是高响度报警器或其它负载。

    (二)四路非锁继电器,见图3

    按A键时,JA吸合,松开键时JA断开,其它路均相同,此时各路均处于非锁状态。如将继电器换成10K电阻并在其下端取出脉冲信号,送至CD4013(四D触发器)处理,就可达到以下效果:按A键一次,继电器吸合。再按一次继电器断开,再按则在吸合,如此往复。其它三路均可独立运行,互不影响。                                                             

    其它说明:

    1).使用过程中,如发现遥控距离变近或发射指示灯变暗,应及时更换发射机的12V AG23电池。

    2).接收电路的工作电压不得超过6V,如输入电压大于6V,应在电源电路中加入一只MC78L06三端稳压器。

    3).TXC100的接收有天线,TXC300型发射机比图1稍大并带有可缩入壳内的微型拉杆天线,接收电路有软天线。

    4).用户可定制多只发射机或多只接收电路,可指定密码是否相同。

    5).发射机和接收电路应尽量远离金属体,以免高频信号被削弱或屏蔽。

    6).产品的距离(L)说明:1,TXC50(50米)L=40-70米  2,TXC100(100米) L=90-120米  3,TXC300(300米)  L=250-350米    (均在开阔场地实测)

    7).我厂提供与TXC系列配套的继电器板,一位板15元,四位板25元,用户可选择控制方式和电源电压。

    如用户需要工业级高指标的遥控电路请使用:

   1.TX315B2全晶振工业级数字遥控器      2.KONG1工业遥控器     3.KONG2工业遥控器

TX315B2全晶振无线编码遥控组件

    在很多场合我们需要一种高性能的无线遥控产品,它能够具有抗干扰,频率稳定,耐低温,抗震动的特点。为此我厂结合多年的高频设计经验和可靠的器件推出了TX315B2无线遥控组件,现已被大量应用在:电力控制设备,警报系统,电器柜开关,电动门远距离控制,吊车控制,各种产品的遥控设定。部分产品已被使用在安防和部队装备上,并受到好评。

    TX315B2是由发射机和接收组件两部分组成的。

    发射机采用高基频的谐振器SAW,NEC的发射器件和台湾普诚公司的编码器PT2262。

    接收机采用美国产的数据处理专用ASK超外差单片接收IC,组成了目前国内最简洁和完善的单片数据接收系统,解码器使用与PT2262相对应的PT2272,电源管理采用台湾合泰公司的HT7150A,其外形等同于78L05,功耗仅5µA(注:78L05为2500µA)。这样既保证了组件能工作在5.5~20V的宽电压范围内又能降低功耗。        

    TX315B2型遥控组件每套均已在出厂时设定密码,所以在同一场合中可以使用多套组件,而不会相互干扰。但应注意在有效距离内多台发射机不能同时发射指令,因为会产生同频抑制现象。

    有关TX315B2的技术指标请见表1.

 

发射机

接收组件

工作电压

12V,AG23电池

5.5~20V

工作频率

315MHz

功率,灵敏度

10mW

3μV

作用距离

250M

数据速率

2.4kbps

误码率

<1%

磁偏

     ±75kHz

±100kHz

工作电流

0-20mA

2.5mA

收发制式

ASK

工作方式

点发射

连续

工作温度

-25°C~+70°C

频率稳定度

10ppm/年

体积

74x37x15mm

47x32x17mm

表一

    发射机在面板上设置有四个按键,当按动时发射机是电路会被激活而进入发射状态,静态时不耗电。机内装配的电池只被用于点发射状态。如使用在长期发射的环境时请考虑备份电源。当用于报警设定和电器开关时,每节电池一般可用到一年以上,电池的容量为45mAH。

    接收机与外界的连线使用引脚形式,引脚依次排列为电源,解码有效输出,D路,C路,B路,A路,地。其中ABCD四路为互相锁定状态,解码有效输出是不论哪一路信号到达,只要解码有效即有输出,直到发射机停止发射,我们可以利用此端使组件具有各种的输出状态。接收组件的基本输出见图3,同时该电路也是最基本的外围测试电路之一。当我们按动发射机按键时,与其对应路的LED即可发光,当用户在大量购买TX315B2时,我厂会赠送由该电路制作的测试器,以方便用户对TX315B2进行各项指标的检测。

    关于TX315B2接收组件的低电压工作方式

    在某些场合中,需要在低电压环境下工作,这时我们向您推荐一种最佳的解决方案。我

厂专为其生产的H994超低压升压器,可以将1~5V的直流电升至直流5V,供接收组件工作,其输出为5V可以直接推动LED。H994应用电路见图8。其无需任何外围器件。

    以下给出使用TX315B2的应用实例:

    1,互锁型控制方式

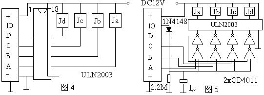
    适用于多路中只有唯一一路输出的控制电路,由于直接由组件的芯片推动,其外围器件是最少的一种控制方式。而且基础电路工作在触发型式,所以在此状态下控制距离是最远的。在输出接口电路中使用了集成驱动电路,内部已含各种保护功能,可直接推动继电器或小型电机。电路见图4,相关产品:TXC04-4继电器控制板。

    2,非锁型控制方式                          

    可以取代传统的机械式按钮开关,其继电器的触点可以直接与按钮开关并联,当按动发射机按键时继电器随之吸合以完成执行动作。在电路中加入了防抖动功能,用来防止因手的颤抖、按键接触不良、瞬间脉冲、电源污染而造成的输出抖动现象,使得控制动作更加稳定可靠。非锁型控制方式是最常用和最稳定的一种。电路见图5,相关产品:TXC04-1继电器控制板。

    3,双稳型控制方式

此状态类似于开关,按动发射机一次,与该路相对应的输出动作,再按动一次即解除,依次反复。四路输出均能单独控制,不受其它路的干扰和限制,用本电路组成四路遥控开关最为适宜。在电路中使用了双D触发器,用于实现独立开关的功能且在上电时自动处于低电平输出。电路见图6,图中只给出其中两路。相关产品:TXC04-2继电器控制板。

    4,混合型控制方式

非锁和双稳两种输出方式的组合,均为两路。用户可以灵活使用,它可以实现两组按钮功能和两组开关功能。四路可以单独使用而不受其它路的限制。电路见图7,图中只给出其中两路。相关产品:TXC04-3继电器控制板。

 

  使用TX315B2应注意的事项:      

    1,由于电路中的译码芯片在解码时需100ms的时间,故建议每次按键时间应不少于0.5s,以保证电路正确解码。

    2,发射机天线在近距离时无须伸出即可使用,全部伸出时将达到最远的控制距离。接收组件的天线应伸直向上。

    3,在很多环境需将接收组件装在铁箱内,此时应在铁箱上打孔,并装绝缘圈再将天线伸出,才不会影响接收效果。有条件应使用Q9高频座。

    4,电路中含有精密高频部件,如果用户不具备高频测试设备,我厂不建议用户改动,请直接联系我厂。

    5,当控制距离明显下降时,请及时更换电池,因为电路的部件均经严格筛选,极少指标改变,我厂可长年提供电池。

 

    相关产品:

1,TX315B2-L低电压无线编码遥控组件

2,TX315B2-S低功耗间歇式无线编码遥控组件

3,TX315B2-J准军品无线编码遥控组件(耐低温,三防处理,抗强电磁感应和高电压冲击)

4,KONG1工业遥控器(电动门、窗帘、电器设备遥控)

5,KONG2八路工业遥控器(吊车、电动葫芦、控制柜)

6,TX315B2可与TXC04系列继电器板组成无线遥控控制器

7,TX315B2和TXC50系列(超再生)组件引脚相同,可以在电路板上互换

8,定做各种超微型接收控制组件和无线数传组件

TX315B2全晶振无线编码遥控组件

    在很多场合我们需要一种高性能的无线遥控产品,它能够具有抗干扰,频率稳定,耐低温,抗震动的特点。为此我厂结合多年的高频设计经验和可靠的器件推出了TX315B2无线遥控组件,现已被大量应用在:电力控制设备,警报系统,电器柜开关,电动门远距离控制,吊车控制,各种产品的遥控设定。部分产品已被使用在安防和部队装备上,并受到好评。

    TX315B2是由发射机和接收组件两部分组成的。

    发射机采用高基频的谐振器SAW,NEC的发射器件和台湾普诚公司的编码器PT2262。

    接收机采用美国产的数据处理专用ASK超外差单片接收IC,组成了目前国内最简洁和完善的单片数据接收系统,解码器使用与PT2262相对应的PT2272,电源管理采用台湾合泰公司的HT7150A,其外形等同于78L05,功耗仅5µA(注:78L05为2500µA)。这样既保证了组件能工作在5.5~20V的宽电压范围内又能降低功耗。        

    TX315B2型遥控组件每套均已在出厂时设定密码,所以在同一场合中可以使用多套组件,而不会相互干扰。但应注意在有效距离内多台发射机不能同时发射指令,因为会产生同频抑制现象。

    有关TX315B2的技术指标请见表1.

 

发射机

接收组件

工作电压

12V,AG23电池

5.5~20V

工作频率

315MHz

功率,灵敏度

10mW

3μV

作用距离

250M

数据速率

2.4kbps

误码率

<1%

磁偏

     ±75kHz

±100kHz

工作电流

0-20mA

2.5mA

收发制式

ASK

工作方式

点发射

连续

工作温度

-25°C~+70°C

频率稳定度

10ppm/年

体积

74x37x15mm

47x32x17mm

表一

    发射机在面板上设置有四个按键,当按动时发射机是电路会被激活而进入发射状态,静态时不耗电。机内装配的电池只被用于点发射状态。如使用在长期发射的环境时请考虑备份电源。当用于报警设定和电器开关时,每节电池一般可用到一年以上,电池的容量为45mAH。

    接收机与外界的连线使用引脚形式,引脚依次排列为电源,解码有效输出,D路,C路,B路,A路,地。其中ABCD四路为互相锁定状态,解码有效输出是不论哪一路信号到达,只要解码有效即有输出,直到发射机停止发射,我们可以利用此端使组件具有各种的输出状态。接收组件的基本输出见图3,同时该电路也是最基本的外围测试电路之一。当我们按动发射机按键时,与其对应路的LED即可发光,当用户在大量购买TX315B2时,我厂会赠送由该电路制作的测试器,以方便用户对TX315B2进行各项指标的检测。

    关于TX315B2接收组件的低电压工作方式

    在某些场合中,需要在低电压环境下工作,这时我们向您推荐一种最佳的解决方案。我

厂专为其生产的H994超低压升压器,可以将1~5V的直流电升至直流5V,供接收组件工作,其输出为5V可以直接推动LED。H994应用电路见图8。其无需任何外围器件。

    以下给出使用TX315B2的应用实例:

    1,互锁型控制方式

    适用于多路中只有唯一一路输出的控制电路,由于直接由组件的芯片推动,其外围器件是最少的一种控制方式。而且基础电路工作在触发型式,所以在此状态下控制距离是最远的。在输出接口电路中使用了集成驱动电路,内部已含各种保护功能,可直接推动继电器或小型电机。电路见图4,相关产品:TXC04-4继电器控制板。

    2,非锁型控制方式                          

    可以取代传统的机械式按钮开关,其继电器的触点可以直接与按钮开关并联,当按动发射机按键时继电器随之吸合以完成执行动作。在电路中加入了防抖动功能,用来防止因手的颤抖、按键接触不良、瞬间脉冲、电源污染而造成的输出抖动现象,使得控制动作更加稳定可靠。非锁型控制方式是最常用和最稳定的一种。电路见图5,相关产品:TXC04-1继电器控制板。

    3,双稳型控制方式

此状态类似于开关,按动发射机一次,与该路相对应的输出动作,再按动一次即解除,依次反复。四路输出均能单独控制,不受其它路的干扰和限制,用本电路组成四路遥控开关最为适宜。在电路中使用了双D触发器,用于实现独立开关的功能且在上电时自动处于低电平输出。电路见图6,图中只给出其中两路。相关产品:TXC04-2继电器控制板。

    4,混合型控制方式

非锁和双稳两种输出方式的组合,均为两路。用户可以灵活使用,它可以实现两组按钮功能和两组开关功能。四路可以单独使用而不受其它路的限制。电路见图7,图中只给出其中两路。相关产品:TXC04-3继电器控制板。

 

  使用TX315B2应注意的事项:      

    1,由于电路中的译码芯片在解码时需100ms的时间,故建议每次按键时间应不少于0.5s,以保证电路正确解码。

    2,发射机天线在近距离时无须伸出即可使用,全部伸出时将达到最远的控制距离。接收组件的天线应伸直向上。

    3,在很多环境需将接收组件装在铁箱内,此时应在铁箱上打孔,并装绝缘圈再将天线伸出,才不会影响接收效果。有条件应使用Q9高频座。

    4,电路中含有精密高频部件,如果用户不具备高频测试设备,我厂不建议用户改动,请直接联系我厂。

    5,当控制距离明显下降时,请及时更换电池,因为电路的部件均经严格筛选,极少指标改变,我厂可长年提供电池。

 

    相关产品:

1,TX315B2-L低电压无线编码遥控组件

2,TX315B2-S低功耗间歇式无线编码遥控组件

3,TX315B2-J准军品无线编码遥控组件(耐低温,三防处理,抗强电磁感应和高电压冲击)

4,KONG1工业遥控器(电动门、窗帘、电器设备遥控)

5,KONG2八路工业遥控器(吊车、电动葫芦、控制柜)

6,TX315B2可与TXC04系列继电器板组成无线遥控控制器

7,TX315B2和TXC50系列(超再生)组件引脚相同,可以在电路板上互换

8,定做各种超微型接收控制组件和无线数传组件

 

欢迎来电洽购我司产品或索取免费详细资料、设计指南和光盘

传感器世界仪器仪表专家网:HTTP//WWW.SENSOR-IC.COM/

智能工控安防消防网:HTTP//WWW.PC-PS.NET/

消费电子专用电路网:HTTP://WWW.SUNSTARE.COM/

地址: 深圳市福田区福华路福庆街鸿图大厦1602    E-MAILszss20@163.com

电话:0755-83387030  83387016

传真:0755-83376182  83338339   邮编:518033  手机:(0)13902971329

E-MAIL:xjr5@163.com    MSN: SUNS8888@hotmail.com    QQ: 195847376
    技术支持: 0755-83394033 13501568376

深圳展销部:深圳华强北路赛格电子市场2583  TEL/FAX0755-83665529  13823648918

北京分公司:北京海淀区知春路132号中发电子大厦3097

TEL4006579498  18927445855  13823791822  FAX010-62543996 

上海分公司:上海市北京东路668号上海賽格电子市场地下一层D25

TEL4006571586  56703037  13823676822  FAX021-56703037

西安分公司:西安高新开发区20(中国电子科技集团导航技术研究所

           西安劳动南路88号电子商城二楼D23 

TEL4006572198  13072977981  FAX:029-77678271