|首页|

 |公司简介|

|产品介绍|

|技术支持|

|方案推介|

|资料下载|

|客户留言|

|客户服务|

 

单片机MCU FPGA/ASIC ARM DSP 编程器/烧录 仿真器 实验开发板 适配器/插座
无线收发 语音音乐 温湿度计 计时定时 计算器 万年历 计步器 计数器
健康运动表 调光控光 遥控 编解码 闪灯彩灯 电波钟 电子秤 胎压监测
仪器仪表 医疗保健 玩具游戏 防盗报警 电器控制 电子指南针 LCD/LCM VFD/TFT/EL
风扇/密码 GPS 通信模块 电子礼品 数据采集 接口转换 新奇特IC 传感器
LED照明 汽车电子 红外测温 环保电子 数码电子 手机 电源管理 多媒体
     
 
无线数字收发电路
数字编码遥控组件
数字收发模块
继电器板
无线控制电路
红外线遥控电路
传感电路
振动传感电路
红外线传感电路
单束激光组件
微波感应控制电路
超声波检测开关
三位计数电路
计时计数电路
高响度报警喇叭
DC/DC电源变换电路
降压型稳压电路
升压型稳压电路
反压型稳压电路
超低压升压电路
稳压电路
无线语音收发电路
调频发射模块
调频接收电路
立体声收发电路
晶振式收发电路
 
     
 
专用集成电路IC介绍

电子指南针IC/传感器方案

LCD/LCM/TFT/EL显示驱动

风扇控制IC

其它IC

各种功能模块、COB板

无线收发模块、数传模块

无线收发模组选型与报价

微型无线收发模块报价

遥控器/遥控开关/遥控模块

编解码开关/智能开关

常用传感器/开关/自控产品

RS232/485/USB/CAN/光纤/转换器、隔离器、驱动器、联网模块、多用户卡

EDA工业数据采集模块、USB采集模块、智能传感器、电量变送器

电子表/多功能表机芯总汇

GSM/CDMA/GPRS通信模块

扩频模块/MODEM模块

GPS模块/天线/应用方案

语音/变音/音效COB、模块

计时/定时/计步/计数

温度/湿度/时间显示控制

数字温湿度计/电子表

数传IC/数传模块

智能控制模块

LCD/LCM/TFT显示屏/模块

小家电/家电控制模块

消费类、控制类成品

 专用电路成品

温度/湿度/时间类

温度计/温湿度计/耳温枪

计步/计数/定时类

玩具/礼品类

报警类

医疗保健类

单片机/嵌入式控制

单片机/MPU/RISC芯片

仿真器/开发板/编程器

MCU/DSP/ARM/开发工具

PLD/CPLD/FPGA/ASIC

 

浏览公司其它部门产品

电子元器件集成电路部

电子元器件产品介绍

电子元器件目录
日本冲电子OKI资料
日本精工SEIKO资料
MODEM数据通信芯片
军工产品事业部
军工产品详细介绍
军工产品选型目录

高频微波光纤光电部

射频微波光电产品网
高频微波光电产品目录
无线收发芯片和模组

传感与控制事业部

自动控制产品介绍
传感器世界仪器仪表专家网
传感器自控产品目录
传感器变送器详细资料

工控事业部

中国工控安防科技网
工控安防产品介绍
电脑网络与系统集成部
仪器仪表与电源部
被动元件/无源元件部
安防产品部
国际贸易部
汽车电子汽车用品
玩具礼品部

开发与生产部

温湿度计模块、成品
无线收发模块
 
     
   
   
 
   
   
 
   
 
  kong1.jpg (368080 字节)

   KONG1  180元/套  

   可控制电动窗帘,电动门,有控制继电器,行程接口,有互锁延时,双发射。

                                                  

详细资料

  kong1A.jpg (594041 字节)

    KONG1A  300元/套   

    用工业遥控器可控电动门,有正反向控制继电器,有互锁延时,双发射。

                                                       

详细资料

  kong8.jpg (577511 字节)

    KONG2-8路  680元/套  

    8路输出, 220V,380V(可选)供电3A输出,200米内控制有效,A级

                                                                

详细资料

  kong12.jpg (460140 字节)

    KONG2-12路  760元/套 

    12路输出, 220V,380V(可选)供电3A输出,100米内控制有效,A级,KONG2采用大型12路发射机,发射按键面板镀金,有雷击过压保护和自动断电功能,接收机有输出路数和收讯状态显示。

详细资料

KONG1电机(电动门)遥控器

    在很多由电机带动的装置中,如电动门、电动葫芦等,我们为了提高设备的档次和控制灵活性,减少使用中的不便,降低安装难度。设计出一种专用的无线遥控装置。采用我厂生产的控制模块,并加入了220V或380V(定做)电源电路、控制及输出电路、继电器(5A)、行程开关输入接口及延时互锁电路。

    用户在有效距离内可以用随机附送的遥控手机(两只)对电动装置进行正转(开)、反转(关)、停各种动作的控制, 在开或关的过程中可以随时停止,之后可以继续执行开或关的动作。行程开关输入接口可以方便的接入两只任何型号的常开型行程开关,不需要它的控制电流,这样我们在型号选择,功率容量和体积方面就有了很大的灵活性。可以利用此功能使行程开关微型化和降低成本。

    另外还专门设计了一套延时互锁电路。在电机正转时,如果我们发出反转指令,由于运转惯性,极容易烧毁电机线圈。在这里我们加入延时互锁电路它可以有效的避免此类事故。当我们有意或无意中发出错误指令时,电路会暂时停机,等待5秒以后再执行下一步动作。如果我们令电机同时正反转(即正转和反转键同时按下),电路将认为是不合理指令而不予理睬。

    图2是本机的内部电路示意图,供参考。

    由于KONG1的内部集成度很高,它的外部接线就非常简单,见图3,这是后面板的安装端子示意图。其中接线端子的N1为220V电源输入端,第1脚为零线;第2脚悬空;第3脚为火线。当用户有特殊要求时,可联系我厂定做380V电压输入的产品,接线端子N2从左到右依次为:1,电机的正转电源;2,电机的公共零线;3,电机的反转电源;4,空;5,正转行程开关输入口;6,行程开关公共端;7,反转行程开关输入口。

    由于KONG1的内部集成度很高,它的外部接线就非常简单,见图3,这是后面板的安装端子示意图。其中接线端子的N1为220V电源输入端,第1脚为零线;第2脚悬空;第3脚为火线。当用户有特殊要求时,可联系我厂定做380V电压输入的产品,接线端子N2从左到右依次为:1,电机的正转电源;2,电机的公共零线;3,电机的反转电源;4,空;5,正转行程开关输入口;6,行程开关公共端;7,反转行程开关输入口。

    在面板的右下脚位置,设置有三个指示灯,左边1号灯为电源指示;中间2号灯为反转工作指示;右边3号灯为正转工作指示。

    在壳体的侧面有一个保险管座,内装2A保险管。当有异常情况而熔断时,请更换相同规格的保险管。如果电机的容量较大时可以更换大电流的保险管。否则会造成保险管易烧坏。以下给出保险管选值和控制功率的关系, 见表1。

    KONG1系列分两种型号:1,KONG1(普通型)30米;2,KONG1A(工业级)200米。发射机的体积分别为72x36x13.5mm和74x37x15mm。接收机的体积均为160x100x55mm。KONG2的发射及接收系统均为全晶振线路设计,一般情况下,在无干扰和短距离场合使用时,KONG1可以满足要求。如果控制距离要求较远和有很高的可靠性时就应该使用KONG1A。

    本机使用的遥控器为我厂的常规产品,发射机为四键设置。在这里我们命名A键为正转;C键为反转;B、D键为停止。当有用户需要时,我们会根据指定生产专用的面板。

   其他说明:

1,我厂可单独提供KONG1所用遥控组件:TXC50;TX315B2。

2,控制八路的遥控装置请选用KONG2。

3,我厂接受批量产品用户的特殊定制。

保险管电流 功率
2A 300W
3A 500W
4A 720W

表一

KONG1电机(电动门)遥控器

    在很多由电机带动的装置中,如电动门、电动葫芦等,我们为了提高设备的档次和控制灵活性,减少使用中的不便,降低安装难度。设计出一种专用的无线遥控装置。采用我厂生产的控制模块,并加入了220V或380V(定做)电源电路、控制及输出电路、继电器(5A)、行程开关输入接口及延时互锁电路。

    用户在有效距离内可以用随机附送的遥控手机(两只)对电动装置进行正转(开)、反转(关)、停各种动作的控制, 在开或关的过程中可以随时停止,之后可以继续执行开或关的动作。行程开关输入接口可以方便的接入两只任何型号的常开型行程开关,不需要它的控制电流,这样我们在型号选择,功率容量和体积方面就有了很大的灵活性。可以利用此功能使行程开关微型化和降低成本。

    另外还专门设计了一套延时互锁电路。在电机正转时,如果我们发出反转指令,由于运转惯性,极容易烧毁电机线圈。在这里我们加入延时互锁电路它可以有效的避免此类事故。当我们有意或无意中发出错误指令时,电路会暂时停机,等待5秒以后再执行下一步动作。如果我们令电机同时正反转(即正转和反转键同时按下),电路将认为是不合理指令而不予理睬。

    图2是本机的内部电路示意图,供参考。

    由于KONG1的内部集成度很高,它的外部接线就非常简单,见图3,这是后面板的安装端子示意图。其中接线端子的N1为220V电源输入端,第1脚为零线;第2脚悬空;第3脚为火线。当用户有特殊要求时,可联系我厂定做380V电压输入的产品,接线端子N2从左到右依次为:1,电机的正转电源;2,电机的公共零线;3,电机的反转电源;4,空;5,正转行程开关输入口;6,行程开关公共端;7,反转行程开关输入口。

    由于KONG1的内部集成度很高,它的外部接线就非常简单,见图3,这是后面板的安装端子示意图。其中接线端子的N1为220V电源输入端,第1脚为零线;第2脚悬空;第3脚为火线。当用户有特殊要求时,可联系我厂定做380V电压输入的产品,接线端子N2从左到右依次为:1,电机的正转电源;2,电机的公共零线;3,电机的反转电源;4,空;5,正转行程开关输入口;6,行程开关公共端;7,反转行程开关输入口。

    在面板的右下脚位置,设置有三个指示灯,左边1号灯为电源指示;中间2号灯为反转工作指示;右边3号灯为正转工作指示。

    在壳体的侧面有一个保险管座,内装2A保险管。当有异常情况而熔断时,请更换相同规格的保险管。如果电机的容量较大时可以更换大电流的保险管。否则会造成保险管易烧坏。以下给出保险管选值和控制功率的关系, 见表1。

    KONG1系列分两种型号:1,KONG1(普通型)30米;2,KONG1A(工业级)200米。发射机的体积分别为72x36x13.5mm和74x37x15mm。接收机的体积均为160x100x55mm。KONG2的发射及接收系统均为全晶振线路设计,一般情况下,在无干扰和短距离场合使用时,KONG1可以满足要求。如果控制距离要求较远和有很高的可靠性时就应该使用KONG1A。

    本机使用的遥控器为我厂的常规产品,发射机为四键设置。在这里我们命名A键为正转;C键为反转;B、D键为停止。当有用户需要时,我们会根据指定生产专用的面板。

   其他说明:

1,我厂可单独提供KONG1所用遥控组件:TXC50;TX315B2。

2,控制八路的遥控装置请选用KONG2。

3,我厂接受批量产品用户的特殊定制。

保险管电流 功率
2A 300W
3A 500W
4A 720W

表一

KONG2—八路工业遥控器

当我们在港口,火车站,建筑施工现场和厂矿使用龙门吊车,塔吊和各种机械搬运装置时,是否想到要为它安装一套多路遥控系统。在这里向您介绍我厂专为其设计生产的八路遥控器—KONG2,在原有的设备上可以增加遥控功能,使设备的自动化程度提高,降低操作者的劳动强度,避免因视野不好或登高而造成的工伤事故,提高了设备的吊装精度和速度,进而大大增加了工作效率。

    KONG2是由数字发射机和接收控制器组成

    数字发射机由按键板,矩阵电路,编码电路,译码器和数字发射电路组成,见图一,当按动面板上的键盘时,一组数字编码信号会立刻发射出去,同时面板上的显示屏指示出当前路数,右下角会发出闪光指示,此功能对夜间使用甚为重要,按动键盘瞬间,机内的蜂鸣器会发出一短声。

    发射机的面板上有各种动作的中文标识,在使用时,只需按触相应的键盘,就可以使发射机内部电路工作(平时处于睡眠状态),与此同时接收控制器中的该路继电器吸合,进而控制相应的动作机构运行。在发射机内部机芯上设有蜂鸣器和显示屏的状态选择插件。其中K1控制蜂鸣器,K2控制显示屏,当短路块插到OPEN档时,处于工作状态,当插到CLOSE档时为关闭状态,用户可根据需要设定,出厂时均置于OPEN状态。

    发射机采用6F22-9V叠层电池,适用于短时或点动控制状态,如长时间或频繁使用需加装外接电源。发射天线在近距离时无需伸出,一般可到100~150米,当全部伸出时,可达150~300米,空旷地无干扰时最远可达500米,在使用中发现距离变近时,请检查电池电量是否充足,当低于7V时应更换电池。长期不用应取出电池。

    接收控制器由ASK数字接收电路,解码电路,8路转换器,功率驱动电路和继电器组成,见图二,其中ASK接收电路采用美国晶振式单片专用集成电路,工作稳定,可靠,不受震动和温度变化影响,具有优良的高频特性和抗电磁干扰能力,在机内设有八位直流单片继电器J1-J8以其触点作为对外界的控制电压输出,设置在前面板的指示灯LED1~LED8作为每个继电器的工作状态指示,LED9为电源指示,当面板上的电源开关K闭合时点亮。

    机内有高频信号接收天线,请不要变动它的形状,以免影响接收效果,减小作用距离。

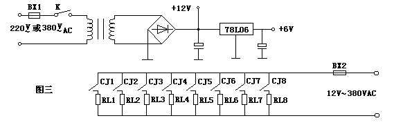
    在控制器的后面板上设有2组保险装置和12位接线端子,其中最右侧保险座为BX1,内部有0.5A保险管,用于保护接收控制电路部分,左侧保险座为BX2,内部有2A保险管,用于保护继电器触点和后级负载。本机内置继电器触点容量为3A,实际使用时不应超过该指标,当控制五百瓦至数千瓦的大容量负载时,应在其后加接中间继电器或交流接触器,内部电源电路及继电器触点电路见图三,端子部分见图四,其中火1为接收控制器的工作电源,一般出厂时为220V可定制380V或其它电压(需特别说明)。由图三得知。八个继电器的一个触点为公共端,即为火2。此电压为被控制负载的工作电压,如12V,24V,36V,220V,或380V,特别指示:1~8路输出应接负载(中间继电器,交流接触器,电磁阀)之火线,并保证负载无短路隐患,否则会烧坏内部继电器及线路或造成事故。

    接收控制器内部的继电器状态,常规产品第1路为双稳(开关)状态,2~8路为暂稳(非锁)状态,这样可由第1路控制后级接入交流接触器时方能实现,如有特殊需要请专门定做,我厂可改动内部接线方式即可达到该功能。另外用户可定制八路全非琐或八路全双稳状态或混合状态,若需此功能请另加说明。

    用户在打开发射机壳更换电池时不应触动其中的任何部件,否则会影响电路的正常参数而导致整机性能下降。接收机非专业技术人员不得打开,机内有高压器件和线路,如随意触动会有生命危险,带白线条标的部分为高压区。

    我厂产品不得打开机壳,否则不在保修之列。

    欢迎就我厂产品的功能和服务质量提出宝贵意见,以遍能更好的为您服务.     

    发射机体积:16×8×3cm,接收机体积:19.5×16×6.5cm

   

    注:

1.当用户特殊需要或配套产品时,KONG2的面板标识可定做。

2.控制电动门的装置请选用KONG1或KONG1A。

3.使用两个动作同时运行的八路遥控器,请见KONG3。

4.由用户指定某些功能或输出状态,但需提供部分费用。

5.商定某些特定产品,如4路,6路,12路或更多路遥控器。

 新型12路KONG2工业遥控器有关说明 

1.在原八路的基础上增加了镀金按键面板,使遥控器工作可靠性和寿命均有大幅度的提高。

2.发射机增加了欠电指示的功能,当电压较低时,欠电指示灯发亮,提醒有关人员更换电池。

3.发射机改用三节5号电池,是发射机使用时间比原来有十倍的提高,如频繁使用可达十天至三个月。

4.接收采用12路非锁形式输出,使系统更加可靠。

5.增加延时(约0.5秒)功能,使电机在极恶劣的环境下运转也不产生抖动的现象。

6.增加了抗过压及内部自动限流功能,使得本产品对恶劣的电网电压的适应能力和自保护能力有大幅度的提高。

    有关12路KONG2的其它说明请参见原八路说明书

 

欢迎来电洽购我司产品或索取免费详细资料、设计指南和光盘

传感器世界仪器仪表专家网:HTTP//WWW.SENSOR-IC.COM/

智能工控安防消防网:HTTP//WWW.PC-PS.NET/

消费电子专用电路网:HTTP://WWW.SUNSTARE.COM/

地址: 深圳市福田区福华路福庆街鸿图大厦1602    E-MAILszss20@163.com

电话:0755-83387030  83387016

传真:0755-83376182  83338339   邮编:518033  手机:(0)13902971329

E-MAIL:xjr5@163.com    MSN: SUNS8888@hotmail.com    QQ: 195847376
    技术支持: 0755-83394033 13501568376

深圳展销部:深圳华强北路赛格电子市场2583  TEL/FAX0755-83665529  13823648918

北京分公司:北京海淀区知春路132号中发电子大厦3097

TEL4006579498  18927445855  13823791822  FAX010-62543996 

上海分公司:上海市北京东路668号上海賽格电子市场地下一层D25

TEL4006571586  56703037  13823676822  FAX021-56703037

西安分公司:西安高新开发区20(中国电子科技集团导航技术研究所

           西安劳动南路88号电子商城二楼D23 

TEL4006572198  13072977981  FAX:029-77678271