首页 公司简介 产品展台 开发生产 资料下载 技术支持 解决方案 展会消息
代理经销 集成电路 高频微波 消费电子 工控网络 安防报警 光纤光电 汽车电子
合作交流 留言本 友情连接 热卖产品 销售网络 招聘加盟 新品介绍 联系我们
传感器/变送器/仪表按厂商品牌选用指南按种类分类选用指南按行业应用选用指南模块模组隔离/采集/采集器/数据采集系统
产品资料 技术资料 样例工程 产品驱动 参考设计 应用电路 通讯协议 使用说明 支持软件 数据查询 问题解答 标准法规 图书资料 基础知识

专业开发生产雷达感应器、微波感应器、自动门感应器、探头、感应器、微波雷达感应器、自动门感应器/微波雷达、 人体感应开关 微波多普勒雷达;人体感应模块;微波多普勒传感器;单线感应开关;微波多普勒;节能环保感应开关;微波雷达探头;带节能灯感应开关;带LED灯感应开关;带各种灯具感应开关;数码相框感应模块;带光控感应模块全自动人体感应开关系列、感应节水器系列、感应模块系列、感应节电器、各类感应器、主动式红外感应器系列、声光控、光控系列、调光调速系列、触摸延时系列、轻触延时系列、插卡取电系列等各类电工电子开关产品

  人体红外线感应产品

被动式人体感应模块 

红外感应开关的原理

SS-101系红外感应列产品

常用标准型号红外模块

透镜超小型红外模块

长条超小透镜红外模块

长型超小透镜红外模块

分体式模块红外模块

长条分体红外模块

中尺寸分体红外模块

长型分体红外模块

主动式人体感应模块

主动式红外感应模块1

主动式红外感应模块2

红外线感应模块

主动式红外感应模块

低成本全自动红外感应洁具

SS-968雷达模块


-
SS-807感应开关
-
SS-918有线探头
-
SS-9181有线探头
-
SS-032有线探头
-
SS-7832有线探头
+
人体红外线感应模块
-
SS-718人体感应模块
-
SS-7182人体感应模块
-
SS-718C人体感应模块
+
超声波感应模块
-
SS-311超声波感应模块
- S
S-311RT超声波感应模块

  超声波测距模块/测距仪
+
可燃气体感应模块
-
SS-310煤气感应模块
+
315M/433M高频收发模块
-
SS-2082接收模块
-
SS682接收模块
-
SS-610发射模块
+
湿度模块
-
HSM-20G湿度模块
-
HTF3223湿度模块
-
HTF3225湿度模块
+
微波模块
-
SS100微波移动传感器
-
SS-719微波感应模块
+
315M/433M高频工业控制器
-
SS-1226控制器
-
SS-1228控制器
+
烟雾/煤气感应模块
-
SS-312烟雾/煤气感应模块

人体感应开关--墙壁式安装
人体感应开关--吸点式安装

无线遥控开关系列  

数码卷闸门遥控器
数码管状电机遥控器
数码遥控--直流电机控制器

固定码-遥控器(软封芯片)
固定码-遥控器(硬封芯片)
滚动码-遥控器
金属壳-遥控器
大功率-遥控器

无线发射模块--RF
超再生接收模块--RX
超外差接收模块--RX

电话拨号智能报警器
现场报警智能报警器

无线红外探测器+门磁
无线烟雾感应器+气感

DC供电无线遥控开关模块
AC供电无线遥控开关模块

无线数字收发电路
  数字编码遥控组件
  数字收发模块
  继电器板
  无线控制电路
红外线线遥控电路
传感电路
  振动传感电路
  红外线线传感电路
  单束激光组件
  微波感应控制电路
  超声波检测开关
  三位计数电路
  计时计数电路
  高响度报警喇叭
DC/DC电源变换电路
  降压型稳压电路
  升压型稳压电路
  反压型稳压电路
  超低压升压电路
  稳压电路
无线语音收发电路
  调频发射模块
  调频接收电路
  立体声收发电路
  晶振式收发电路
 无线遥控器
普通遥控器(固定玛,滚动码) 特种遥控器 工业用遥控器 
高频无线收发模块
调幅发射模块 调频发射模块 调幅超再生接收模块 调幅超外差接收模块 调频接收模块 双向收发模块 
无线数据通讯
小功率数传电台 GSM通讯模块 GPRS通讯模块 
商住安全防盗报警系统
网络型住宅防盗系统 互动式防盗系统 无线有线防盗系统 
安全,防盗传感器
无线门磁 无线人体红外线探测器 可燃气体传感器(有线,无线型) 烟气传感器(有线,无线型) 
汽车电子用品
汽车多用测试仪 智能汽车保护器 汽车自动关窗控制器 汽车,摩托车防盗器 
无线可编程控制器
六路无线可编程控制器 十二路无线可编程控制器 
多路无线控制器
2路无线控制器 3路无线控制器 4路无线控制器 6路无线控制器 
2.4GHz 音/视频无线收发
高频(RF)器件
高频贴片电感 高频三极管 
智能灯光无线控制系统
一型智能灯光无线控制系统 
电子产品Ⅱ
 微电脑定时开关
微电脑打铃器
路灯光控开关
声光控
定时模块
配电柜系列
霓虹灯控制器
霓虹灯电子变压器
路灯智能开关;微电脑定时器;微电脑打铃控制器;微电脑倒计时开关;钟控定时模块;作息控制器模块;单次/循环倒计时模块

 

 
 
 
 
 
 
 
 
 
 
 
 
 
 
 
 

 被动式人体红外线感应模块

SS-101红外线人体感应模块使用说明  SS-968微波感应模块/雷达探测模块使用说明  SS-9261微波感应模块/雷达探测模块使用说明 

SUNSTAR系列红外感应模块感应开关感应灯选型手册                                                        

SS308-1人体感应模块说明(继电器输出型)

基于红外线技术的自动控制产品, 灵敏度高,可靠性强,广泛应用于各类自动感应电器设备。  

功能特点:
1.全自动感应: 人一旦进入感应范围,感应器的继电器常开触点立即闭合,从而输出电源(工作电压的再输出), 人离开感应范围后则延时关闭输出的电源。
2.两种触发方式:(可选择,默认为可连续触发方式)  
  a.不可重复触发方式:即感应接通电源后,延时时间段一结束,感应器将自动关闭输出的电源;
  b.可重复触发方式即感应接通电源后,在延时时间段内,如果有人体在其感应范围活动,电源将持续接通,直到人离开后才延时关闭(感应模块检测到人体的每一次活动后会自动顺延一个延时时间段,并且以最后一次活动的时间为延时时间的起始点)。
3.具有感应封锁时间(默认设置:无封锁时间):感应模块待延时时间一结束(即停止输出),可以紧跟着设置一个封锁时间段,在此时间段内感应器不接受任何感应信号。此功能可以实现“感应输出时间”和“封锁时间”两者的间隔工作,可应用于间隔探测产品;同时此功能可有效抑制负载切换过程中产生的各种干扰。(此时间可设置在零点几秒几十秒钟)
4.工作电压:默认DC12V(也可订做DC5V,DC6V,DC9V,DC24V等)
5.微功耗:静态电流<50微安。
6.尺寸小,便于安装在各类设备当中。
                                
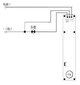
外接示意:   典型应用:
1.+电源正极;
2.-电源负极;
4.OUT输出电源正极;
H:可重复触发;
L:不可重复触发;
 
技术参数:
1.工作电压:DC12V(可订做DC5V,DC6V,DC9V,24V);   2.静态功耗:<50微安;  3.继电器输出:输入电源正极的再输出(触点容量10A以内).
4.延时时间:  可制作范围零点几秒-三十分钟; 5.封锁时间:  可制作范围零点几秒-几十秒
6.触发方式:L不可重复;H可重复;  7.感应范围:<120度锥角,3-5米以内(透镜采用12.7mm;如采用23mm,距离为5-7米以内);感应距离具体由所采用的透镜决定,可订做几十厘米至7米以内.
8.工作温度:-20-+70度;   9.PCB外形尺寸:75.5*15mm,螺丝孔(6)孔距54mm,18mm12mm   10.感应透镜尺寸(直径):12.7mm(默认);另有:23mm;8mm可选.
(可接受各种功能的产品订做).
SUNSTAR系列红外人体感应模块/感应开关使用说明 SS-968微波感应模块/雷达探测模块使用说明
SS-9261微波感应模块/雷达探测模块使用说明 SSD系列温度传感器/变送器产品选型手册
SSD系列压力变送器选型手册 SSD系列温湿度变送器选型手册
SUNSTAR系列湿敏电阻/湿敏电容/变送器/加湿器/水浸传感器/热敏电阻详细资料说明书下载 SUNSTAR紫外光敏管/紫外光管/紫外光电管/火焰监测仪/火焰传感器配套  

被动式人体红外线感应模块SS-101红外线人体感应模块使用说明  SS-968微波感应模块/雷达探测模块使用说明  SS-9261微波感应模块/雷达探测模块使用说明被动式红外感应(也称人体红外线热释电感应) 原理:只是被动地接收人体辐射的红外线信号(实际上是检测人体温度与环境温度的差值及变化),其感应有两个条件,一是必须是人体(或发热的物体),二是人体(或发热的物体)必须活动,当人体进入被动式感应器探测范围时均符合这两个条件,所以就会感应输出。检测距离: 7米 以内(一般感应开关均设在 5米 左右,红外报警探测器一般在 10米 左右,感应距离除由线路参数决定外,还与采用的光学透镜有关系,线路参数固定的前提下,采用不同的透镜,感应距离也会不一样。) 检测范围:由采用的透镜规格决定,有90度、120度、140度等。应用领域:自动感应照明、报警器以及各类感应电器,比较适合较大范围的对人体的感应领域

人体感应模块系列:(产品未能尽录,可按客户要求进行各种功能及规格的设计订做)            

 

SS208系列人体感应模块

SS208 高电平输出型,尺寸28*38mm(详情进入)
SS208-N-H 高电平输出型,尺寸26*38mm(详情进入)
SS208-N-L 低电平输出型,尺寸26*38mm(详情进入)
SS208-N-C 集电极开路输出型,尺寸26*38mm(详情进入)
 

SS308-1系列人体感应模块

(尺寸:75.5*15mm)

SS308-1 继电器输出型(输出电源电压)(详情进入)
SS308-1A 继电器输出型(空触点输出)(详情进入)
 

 
 
SS308-2H人体感应模块
(高电平输出型)(尺寸:56*15mm)
(详情点击进入)
 
 

SS308-3系列人体感应模块

(尺寸:75.5*15mm)

SS308-3C 集电极开路输出型(详情进入)
SS308-3L 低电平输出型(详情进入)
 

SS318系列人体感应模块(低电压工作模式)

SS318-1H 工作电压DC0.8V-8V/高电平输出型(详情进入)
SS318-1L 工作电压DC0.8V-8V/低电平输出型(详情进入)
SS318-1C 工作电压DC0.8V-8V/集电极开路输出型(详情进入)

 

 

SS408系列人体感应模块(探头外延型)

SS408-R 继电器输出型(详情进入)
SS408-H 高电平输出型(详情进入)
SS408-L 低电平输出型(详情进入)
SS408-C 集电极开路输出型(详情进入)
 

 
 

SS708系列人体感应模块(低电压工作模式)

SS708-1C 工作电压DC0.8V-8V/集电极开路输出型(详情进入)
SS708-1H 工作电压DC0.8V-8V/高电平输出型(详情进入)
SS708-2C 工作电压DC4.5V-20V/集电极开路输出型(详情进入)
SS708-2H 工作电压DC4.5V-20V/高电平输出型(详情进入)
 

   
 
 

 

各类感应控制板:(可根据客户的各种功能要求进行开发生产) 

 

 

感应灯控制组件

(接受各种功能形式的产品订做)

 

人体感应模块、控制组件

1.全自动感应,人来则开,人离则关(反向则为人来则关,人离则开) 2.感光度可随意调节(可调节在任意光线下感应)3.一旦感应,人不离开感应范围且在活动,延时时间具有自动叠加功能,开关持续接通,直到人离开后再延时关闭,延时时间可随意调节(10秒-几十分钟) 4.多种工作电压模式:交流型220V;直流型:5V-24V 5.带执行控制部分:可直接应用于各类智能感应电器设备 6.多种输出模式:a纯机械开关触点;b输入工作电压的再输出 7.多种输出状态:a正向输出(平时关,感应开)b反向输出(平时开,感应关)
 


人体感应模块SSD-ME003K1

人体感应模块SSD-ME003K

人体感应模块SSD-ME003K3

人体感应模块SSD-ME003K4

人体感应模块SSD-ME003

人体感应模块SSD-ME003

人体感应模块SSD-ME003

人体感应模块SSD-ME003

人体感应模块SSD-ME003

人体感应模块SSD-ME003DD

人体感应模块SSD-ME003SM

远距离人体感应开关SSD-ME003

带继电器人体感应模块220V

人体感应模块SSD-ME003-AC
 
     

 

红外传感类产品I:

序号
产品名称
价格
体积大小(mm)
I 1
16
38×28×10
I 2
19
 
I 3
20
 
I 4
26
 
I 5
24
 
I 6
28
 
I 7
29
 
I 8
29
4分标准水管口径,和家用水管一个标准尺寸,可以配接
I 9
89
 
I 10
39
 
I 11
2.9/3
DIP每片2.9元 贴片每片3元
I 12
5.8
体积:8.3*4.2mm
I 13
21
 
I 14
1元
半球形,体积:25X25X25毫米
I 15
1.9元
半球形,直径14毫米,高10毫米
I 16
1元
 
I 17
1元
 

 

 

 

更多产品请看本公司产品专用销售网站:

欢迎索取免费详细资料、设计指南和光盘 ;产品凡多,未能尽录,欢迎来电查询。

商运达中国传感器科技信息网:http://www.sensor-ic.com/     商运达工控安防网:http://www.pc-ps.net/

商运达电子 元器件网:http://www.sunstare.com/            商运达微波光电产品网:HTTP://www.rfoe.net/

商运达消费电子产品网://www.icasic.com/                   商运达实业科技产品网://www.sunstars.cn/传感器销售热线:

    地址:深圳市福田区福华路福庆街鸿图大厦9732室

    电话:0755-83376489 83376549 83607652 83370250   83370251  

    传真:0755-83376182  (0)13902971329  MSN: SUNS8888@hotmail.com

    邮编:518033   E-mail:szss20@163.com     QQ: 195847376

    深圳赛格展销部:深圳华强北路赛格电子市场9583号 电话:0755-83665529   13823648918 FAX:0755-82914956

    技术支持: 0755-83394033 13501568376

    北京分公司:北京海淀区知春路132号中发电子大厦3097     TEL4006579498  18927445855  13823791822  FAX010-62543996 

    上海分公司:上海市北京东路668号上海賽格电子市场地下一层D25号      TEL4006571586  56703037  13823676822  FAX021-56703037

    西安分公司:西安高新开发区20(中国电子科技集团导航技术研究所)     西安劳动南路88号电子商城二楼D23 

            TEL4006572198  13072977981  FAX:029-77678271