|
|
|
湿度传感器
发表时间:2011-08-30浏览量:58
点这下载PDF文档
| 产品名称:湿度传感器
|
|
产品型号:ST-HR101 |
|
|
|
一、产品简介:
该产品名为电阻型高分子湿度传感器(湿敏电阻),是一种新型的湿度敏感元件,采用功能高分子膜涂敷在带有导电电极陶瓷衬底上,形成阻抗随相对湿度变化成对数变化的敏感部件,导电机理为水分子的存在影响高分子膜内部导电离子的迁移率。
二、特点:
具有体积小,感湿范围宽,响应速度快,灵敏度高,性能稳定可靠,性价比高,低漂移、高精度、一致性好等特点。
三、适用范围:
电子、纺织、仓储、烟草、制药、气象、医疗设备等行业;
电子万年历、温湿度表、玩具及工艺品,以及其他需湿度测量的场所等产品。
四、型号规格:
ST-HR101,特征阻抗23KΩ
五、电气性能:
定额电压:1.5V AC(MAX,正弦波);
工作温度:0℃—60℃;
工作湿度:20%—95%RH;
温度特性:≤0.5%RH/℃
湿滞回差:≤2%RH;
稳定性:≤3%RH/年,不抗结露;
湿度检测精度:≤±5%RH;
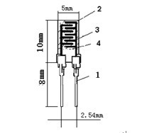
六、外形尺寸图:
1—引出脚 2—基片 3—碳电极 4—感湿膜
1008 外形尺寸图
1—引出脚 2—基片 3—碳电极 4—感湿膜
1005 外形尺寸图
|
| |
产品名称:智能型温湿度变送器
产品型号:ST-HTW304B |
|
| |
|
|
|
产品名称:水探测器
产品型号:ST-RW-I301G |
|
| |
|
|
|
产品名称:湿度传感器
产品型号:ST-HR100 |
|
| |
|
|
|
|
产品名称:湿度传感器
产品型号:ST-HR101 |
|
| |
|
|
|
产品名称:湿度传感器
产品型号:ST-HR102 |
|
| |
|
|
|
产品名称:湿度传感器
产品型号:ST-HR104 |
|
| |
|
|
|
|
产品名称:湿度传感器
产品型号:ST-HR002 |
|
| |
|
|
|
产品名称:湿度传感器
产品型号:ST-HR006 |
|
| |
|
|
|
产品名称:温湿度传感器模块
ST-HRTM202
产品型号:ST-HRTM202 |
 |
|
|
|
|
|
产品名称:温湿度传感器模块
ST-HRTM206
产品型号:ST-HRTM206 |
|
| |
|
|
|
产品名称:温湿度传感器模块
ST-HCTM202
产品型号:ST-HCTM202 |
|
| |
|
|
|
产品名称:温湿度传感器模块
ST-F3226
产品型号:ST-F3226 |
|
| |
|
|
|
|
产品名称:湿度传感器模块
ST-HRM203
产品型号:ST-HRM203 |
|
| |
|
|
|
产品名称:温度传感器模块
ST-TM103
产品型号:ST-TM103 |
|
| |
|
|
|
产品名称:网络型温湿度变送器
产品型号:STHTW-D304B |
|
| |
|
|
|
|
产品名称:室内温湿度变送器(电流型)
产品型号:STHTW-I303C |
|
| |
|
|
|
产品名称:室外温湿度变送器
产品型号:STHTW-D304F |
|
| |
|
|
|
产品名称:管道式温湿度变送器(电流型)
产品型号:STHTW-I303E |
 |
|
|
|
|
|
产品名称:温度变送器
产品型号:ST-TW-I303F2 |
|
| |
|
|
|
产品名称:露点温度变送器
产品型号:STDPTW-I303F-1 |
|
| |
|
|
|
产品名称:智能温湿度控制器
产品型号:ST-HTC404 |
|
| |
|
|
|
|
产品名称:数字式湿度控制器
产品型号:ST-HTC402 |
|
| |
|
|
|
产品名称:机电式湿度开关
产品型号:ST-HTC401A1 |
|
| |
|
|
|
产品名称:湿度液位控制器
产品型号:STHWC-407 |
|
| |
|
|
|
|
产品名称:智能记录仪
产品型号:ST200 |
|
| |
|
|
|
产品名称:电子式温湿度开关
产品型号:STHTC-402D |
|
| |
|
|
|
产品名称:液位传感器
产品型号:ST-WW-I303F4 |
 |
|
|
|
|
|
产品名称:湿度传感器模块
ST-HRM207
产品型号:ST-HRM207 |
|
| |
|
|
|
产品名称:温湿度传感器模块
ST-HRTM220A
产品型号:ST-HRTM220A |
|
| |
|
|
|
产品名称:管道式温湿度变送器(电压型)
产品型号:STHTW-V302E |
|
| |
|
|
|
|
产品名称:室内温湿度变送器(电压型)
产品型号:STHTW-V302C |
 |
|
|
|
|
|
 |
|
更多产品请看本公司产品专用销售网站:
欢迎索取免费详细资料、设计指南和光盘
;产品凡多,未能尽录,欢迎来电查询。
商运达中国传感器科技信息网:http://www.sensor-ic.com/
商运达工控安防网:http://www.pc-ps.net/
商运达电子
元器件网:http://www.sunstare.com/
商运达微波光电产品网:HTTP://www.rfoe.net/
商运达消费电子产品网://www.icasic.com/ 商运达实业科技产品网://www.sunstars.cn/传感器销售热线:
地址:深圳市福田区福华路福庆街鸿图大厦9732室
电话:0755-83376489 83376549 83607652 83370250
83370251
传真:0755-83376182 (0)13902971329
MSN:
SUNS8888@hotmail.com
邮编:518033 E-mail:szss20@163.com
QQ: 195847376
深圳赛格展销部:深圳华强北路赛格电子市场9583号
电话:0755-83665529 13823648918 FAX:0755-82914956
技术支持: 0755-83394033
13501568376
北京分公司:北京海淀区知春路132号中发电子大厦3097号 TEL:4006579498
18927445855 13823791822 FAX:010-62543996
上海分公司:上海市北京东路668号上海賽格电子市场地下一层D25号
TEL:4006571586
56703037 13823676822 FAX:021-56703037
西安分公司:西安高新开发区20所(中国电子科技集团导航技术研究所)
西安劳动南路88号电子商城二楼D23号
TEL:4006572198
13072977981 FAX:029-77678271